MVH-D64DT、MVL-D64DT、MVH-D40DT、MVL-D40DT的Y100~Y102(3点)
MVH-D64DTPS、MVL-D64DTPS、MVH-D40DTPS、MVL-D40DTPS的Y100~Y103(4点)
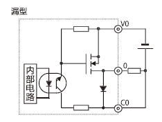
| 项 目 | 规 格 | 内部电路图 | |
|---|---|---|---|
| 额定负载电压 | 24/12V DC(+10%、-15%) |
![]() |
|
| 最小开关电流 | 10mA | ||
| 泄漏电流 | 0.1mA(最大) | ||
| 最大负载电流 | 1回路 |
0.5A/24V DC 0.3A/12V DC |
|
| 输出响应时间 | OFF → ON | 5µs(最大)/24V DC 0.2A*2 | |
| ON → OFF | 5µs(最大)/24V DC 0.2A*2 | ||
| 浪涌消除电路 | 无 | ||
| 熔断器 | 无 | ||
| 隔离方法 | 光耦隔离 | ||
| 输出显示 | LED显示 (绿色) | ||
| 外部电源*1 | DC 12 ~30V | ||
| 绝缘电压 |
≥1500V (外部-内部之间) ≥500V (外部-外部之间) |
||
| 输出压降 | 0.3V DC (最大) | ||
| 外部连接 | 可拆卸的螺钉型端子台 (M3) | ||
MVH-D64DT、MVL-D64DT的Y103以降(21点)
MVH-D40DT、MVL-D40DT的Y103以降(13点)
| 项 目 | 规 格 | 内部电路图 | |
|---|---|---|---|
| 额定负载电压 | 24/12V DC(+10%、-15%) |
![]() |
|
| 最小开关电流 | 10mA | ||
| 泄漏电流 | 0.1mA(最大) | ||
| 最大负载电流 | 1回路 | 0.5A | |
| 输出响应时间 | OFF → ON | 0.1ms(max)/24V DC 0.2A | |
| ON → OFF | 0.1ms(max)/24V DC 0.2A | ||
| 浪涌消除电路 | 无 | ||
| 熔断器 | 无 | ||
| 隔离方法 | 光耦隔离 | ||
| 输出显示 | LED显示(绿色) | ||
| 外部电源*1 | DC 12 ~30V | ||
| 绝缘电压 |
≥1500V (外部-内部之间) ≥500V (外部-外部之间) |
||
| 输出压降 | 0.3V DC (最大) | ||
| 外部连接 | 着脱式ねじ端子台 (M3) | ||
MVH-D64DTPS、MVL-D64DTPS的Y104以降(20点)
MVH-D40DTPS、MVL-D40DTPS的Y104以降(12点)
| 项目 | 规格 | 内部电路图 | |
|---|---|---|---|
| 额定负载电压 | 24/12V DC (+10%、-15%) |
![]() |
|
| 最小开关电流 | 10mA | ||
| 泄漏电流 | 0.1mA(最大) | ||
|
1回路 | 0.7A | |
| 输出响应时间 | OFF → ON | 0.5ms(最大)/24V DC 0.2A | |
| ON → OFF | 0.5ms(最大)/24V DC 0.2A | ||
| 浪涌消除电路 | 无 | ||
| 熔断器 | 无 | ||
| 隔离方法 | 光耦隔离 | ||
| 输出显示 | LED显示(绿色) | ||
| 外部电源*1 | DC 12 ~30V | ||
| 绝缘电压 |
≥1500V (外部-内部之间) ≥500V (外部-外部之间) |
||
| 输出压降 | 0.3V DC (最大) | ||
| 外部连接 | 可拆卸的螺钉型端子台 (M3) | ||